您现在的位置:
首页
>
政务公开
>
政务公开标准化规范化专栏
>
公开领域
>
自然资源领域
>
国土空间规划编制
>
详细规划
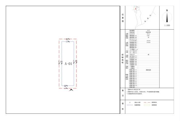
奎德素镇房身村A-01地块控制性详细规划批复公告
发布日期:2026-01-22 信息来源:建平县城乡规划事务服务中心
浏览:
次
项目名称:奎德素镇房身村A-01地块控制性详细规划
项目位置:建平县奎德素镇
审批时间:2026年1月9日(建政函〔2026〕2号)
附图: